
A STM8S103F3P6 je 8-bitni mikrokontroler koji je proizvela STMICROELERTRONICS, poznat po svojoj impresivnoj funkcionalnosti i bešavnoj integraciji.Ovaj kompaktni uređaj opremljen je površinskim stilom montiranog uređaja (SMD), utjelovljujući naprednu jezgru i periferne uređaje koji se pažljivo proizvode pomoću vrhunske tehnologije.S frekvencijom sata od 16 MHz, STM8S103F3P6 ima snažnu I/O sposobnost, osiguravajući učinkovitu obradu podataka i rukovanje.Njegov neovisni tajmer čuvara, opremljen neovisnim izvorom sata i sigurnosnim sustavom sata, jamči optimalne performanse uređaja i otpornost od potencijalnih poremećaja.
Jedna od njegovih značajki je njegova flash memorija koja pruža nehlapljivu pohranu za kod i podatke.S rasponom napona koji se kreće od 2,95 V do 5,5 V, ovaj je mikrokontroler vrlo svestran i prilagodljiv raznim aplikacijama.Uz to, nudi širok raspon radne temperature od -40 ° C do 85 ° C, što ga čini prikladnim za implementaciju u različitim uvjetima okoliša.
• MSP430G2353
• PIC16LF18444T
• STM8S103F3P3
• STM8S103F3P3TR
• STM8S103F3P6TR


Mala potrošnja energije: Ima različite načine potrošnje male energije, uključujući način rada u praznom hodu, način mirovanja, način rada s dubokim mirovanjem i način isključivanja, što može učinkovito proširiti trajanje baterije i uštedjeti energiju.
Visoke performanse: prihvaća arhitekturu jezgre STM8 visokih performansi, što omogućava da radna frekvencija bude čak 16MHz, što uvelike poboljšava brzinu izvršavanja uputa i pruža učinkovitije računalne mogućnosti za naše aplikacije.
Više komunikacijskih sučelja: Podržava razna komunikacijska sučelja, uključujući SPI (serijsko periferno sučelje), I2C i UART.Kroz ta sučelja može lako komunicirati i komunicirati s vanjskim uređajima kako bi se postigla više funkcija i primjena.
Obilne periferne uređaje: Mikrokontroler STM8S103F3P6 ima obilne periferne resurse, uključujući 16KB flash memorije i 1KB RAM memorije, kao i uobičajena sučelja kao što su GPIO igle, timer i UART.Raznolikost ovih perifernih uređaja čini uređaj prikladnim za različite scenarije aplikacija i može udovoljiti potrebama različitih polja i industrija.Bilo da se radi o industrijskoj kontroli, pametnom domu ili ugrađenim sustavima, STM8S103F3P6 može pružiti podršku.

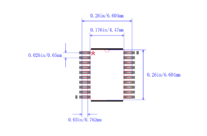
STM8S103F3P6 upakiran je u tanko smanjenje malog obrisa (TSSOP) i ima 20 pinova.Razmak tijela i olova manji su od standardnih SOIC paketa.Tipična značajka TSSOP -a je stvaranje igle oko pakiranog čipa, što ga čini prikladnim za montiranje ožičenja na PCB -u pomoću SMT tehnologije.Kada koristite TSSOP paket, parazitski parametri (poremećaj izlaznog napona uzrokovan velikim promjenama u struji) su manji, tako da je prikladan za visokofrekventne aplikacije.Ova vrsta paketa je prikladnija za rad i ima veću pouzdanost.
TSSOP paket ima sljedeće značajke:
• Mali razmak za pincete: Razmak za pin je uglavnom 0,5 mm ili 0,65 mm.Kroz dizajn bakrenih traka kružne pločice više se uređaja može postaviti na pločicu s istim područjem i veličinom.
• Širok opseg primjene: Može se primijeniti na različita polja aplikacija kao što su mikrokontroleri, DSP -ovi, memorijski čipovi i čipovi napajanja.
• Visoki broj pinova: Broj igle je općenito oko 20 do 64, što može udovoljiti određenim zahtjevima za integracijom čipova.
• Mala veličina paketa: U usporedbi s običnim malim obrisima (SO) paketima, veličina paketa je manja, debljina je tanja, a volumen je manji, što ga čini pogodnim za pakiranje integriranih krugova visoke gustoće.
• Visoke performanse: prihvaća tehnologiju površinskog montaže, ima dobru vodljivost i otpornost na koroziju i može udovoljiti posebnim zahtjevima poput velike brzine, visoke frekvencije, minijaturizacije i tako dalje.
Ako nije drugačije navedeno, svi se naponi upućuju na VSS.
Minimalne i maksimalne vrijednosti zagarantovane su u najistaknutijim uvjetima, obuhvaćajući temperaturu okoline, napon opskrbe i frekvencije.Ova jamstva uspostavljaju se strogim proizvodnim testovima izvedenim na 100% uređaja, provedenih na temperaturi okoline TA = 25 ° C i TA = Tamax (kako je definirano odabranim rasponom temperature).
Vrijednosti temeljene na rezultatima karakterizacije, dizajnerskim simulacijama i/ili tehnološkim karakteristikama prikazane su u fusnotama tablice i nisu prošle testiranje proizvodnje.Što se tiče karakterizacije, minimalne i maksimalne vrijednosti odnose se na procjene uzoraka i označavaju srednju vrijednost s rasponom plus ili minus tri puta više od standardnog odstupanja (srednja ± 3σ).
Ako nije izričito navedeno drugačije, standardni podaci se uspostavljaju s TA = 25 ° C, VDD = 5 V. Te se vrijednosti daju samo kao reference na dizajn i nisu podvrgnute testiranju.
Tipična točnost vrijednosti ADC utvrđena je karakterizacijom skupa uzoraka sa standardne difuzijske partije u cijelom rasponu temperature.U tom kontekstu, 95% uređaja pokazuje pogrešku unutar navedene vrijednosti (srednja ± 2σ).
Ako nisu posebno naznačeni, svi standardni grafikoni namijenjeni su samo kao reference na dizajn i nisu bili podložni ispitivanju.
Prelazak navedenih apsolutnih maksimalnih ocjena može rezultirati trajnim oštećenjem uređaja.Ove ocjene samo ukazuju na granice stresa koje uređaj može izdržati, a ne podrazumijeva se da će uređaj pravilno funkcionirati u tim uvjetima.Izloženost uvjetima na ili blizu maksimalnih ocjena može negativno utjecati na pouzdanost uređaja.
Profil misije uređaja, koji ocrtava uvjete primjene, pridržava se standarda kvalifikacije Jedec JESD47, s proširenim profilima misije na zahtjev.
Da bi se postigla stabilnost primarnog regulatora, vanjski kondenzator označen CEXT treba biti spojen na VCAP pin.Važno je osigurati da serijalna induktivnost ostane ispod 15 NH.
Trenutna potrošnja mjeri se kao što je prikazano na sljedećoj slici.

Ukupna potrošnja struje opskrbe u načinu pokretanja
MCU je stavljen u sljedeće uvjeti:
• Sve periferne uređaje onemogućene su (sat zaustavljen perifernim registrima za gatiranje satova), osim ako je izričito spomenuto.
• Sve I/O pinove u ulaznom načinu sa statičkom vrijednošću na VDD ili VSS (bez opterećenja)
Podložno općim radnim uvjetima za VDD i TA.

STM8S103F3P6 ima 20 pinova, njegova imena i funkcije su sljedeće:
PIN1 (PD4/ BEEP/ TIM2_ CH1/ UART1 _CK): Port D4
PIN2 (PD5/ AIN5/ UART1 _TX): Port D5
Pin3 (pd6/ ain6/ uart1 _rx): port d6
Pin4 (nrst): resetiranje
PIN5 (PA1/OSCIN): Port A1
PIN6 (PA2/OSCUT): Port A2
Pin7 (VSS): digitalno tlo
PIN8 (VCAP): Kondenzator regulatora 1.8 V
PIN9 (VDD): Digitalno napajanje
PIN10 (PA3/ TIM2_ CH3 [SPI_ NSS]): priključak A3
PIN11 (PB5/ I2C_ SDA [TIM1_ BKIN]): Port B5
Pin12 (pb4/ i2c_ scl): port b4
PIN13 (PC3/ TIM1_CH3 [TLI] [TIM1_ CH1N]): Port C3
PIN14 (PC4/ CLK_CCO/ TIM1_ CH4/ AIN2/ [TIM1_ CH2N]): Port C4
PIN15 (PC5/ SPI_SCK [TIM2_ CH1]): Port C5
PIN16 (PC6/ SPI_MOSI [TIM1_ CH1]): Port C6
PIN17 (PC7/ SPI_MISO [TIM1_ CH2]): Port C7
PIN18 (PD1/ Swim): Port D1
PIN19 (PD2/ AIN3/ [TIM2_ CH3]): Port D2
PIN20 (PD3/ AIN4/ TIM2_ CH2/ ADC_ ETR): Port D3
Kao što je prikazano na gornjoj slici, čip STM8S103F3P6 ima do 16 I/O pinova, koje se mogu koristiti u različite svrhe, kao što su GPIO, periferna sučelja, ADC itd.Koristi se kao ulazne igle za čitanje vanjskih signala ili kao izlazni igle za slanje signala na vanjske uređaje.Osim toga, svakom I/O PIN -u može se neovisno dodijeliti vektor prekida kako bi se olakšala precizna obrada prekida kada se pojave.
• Sustavi za automatizaciju: Ovaj se mikrokontroler može koristiti u automatizacijskim sustavima kao što su električne zavjese, sustavi za kontrolu pristupa, kontrola temperature i kontrola rasvjete.
• IoT (Internet of Things) Aplikacija: Ako trebamo razviti IoT uređaje, može se koristiti kao kontroler za IoT čvorove za povezivanje i kontrolu različitih senzora i komunikacijskih modula.
• Osobni elektronički uređaji: koristi se u digitalnim fotoaparatima, MP3 i MP4 igračima, elektroničkim igrama itd.
• Elektronička oprema: koristi se za razvoj razne elektroničke opreme
, poput elektroničkih igračaka, daljinskih upravljača, mini kalkulatora itd.
• Industrijsko polje: koristi se u PLC -u, industrijskim kontrolerima, automatizaciji procesa i opremi za automatsko upravljanje itd.
• Sučelje za prikupljanje podataka i senzora: Koristi se za praćenje okolišnih uvjeta i prikupljanje podataka ili za povezivanje različitih senzora kao što su senzori svjetla, temperaturni senzori i senzori vlage.
• Ugrađeni upravljački sustav: Koristi se za dizajniranje različitih ugrađenih upravljačkih sustava, poput kućanskih aparata, industrijske opreme, električnih alata itd. Njegova 8-bitna prerađena snaga dovoljna je za mnoge jednostavne upravljačke zadatke.
STM8S103F3P6 je čip mikrokontrolera koji je razvio STMicroelectronics.Pripada obitelji STM8 8-bitnih mikrokontrolera i široko se koristi u raznim ugrađenim sustavima i IoT aplikacijama.
STM8S103F3P6 jedinica mikrokontrolera ima 640 bitnih ROM-a, 10-bitni 5-kanalni ADC, 1KB RAM-a i s veličinom programske memorije od 8kb.
Možemo zamijeniti STM8S103F3P6 s MSP430G2353, PIC16LF18444T, STM8S103F3P3, STM8S103F3T3TR ili STM8S103F3P6TR.
Da, STM8S103F3P6 dizajniran je s značajkama male snage i može se koristiti u aplikacijama s pogonom na baterije ili niske snage gdje je energetska učinkovitost neophodna.
Neke ključne značajke STM8S103F3P6 uključuju GPIO (ulaz/izlaz opće namjene), UART (Univerzalni asinhroni prijemnik/odašiljač) Komunikaciju I2C (među-integrirani krug) komunikacije, SPI (serijsko periferno sučelje) komunikacije, tajmere i još mnogo toga.
O NAMA
Zadovoljstvo kupaca svaki put.Međusobno povjerenje i zajednički interesi.
Tehničke specifikacije litij kovanice CR2354
2024-08-02
Sveobuhvatni vodič za mikrokontroler ATMEGA328-PU
2024-08-02
E-mail: Info@ariat-tech.comHK TEL: +852 30501966DODATI: Rm 2703 27F Ho King Comm Center 2-16,
Fa Yuen St MongKok Kowloon, Hong Kong.